Sofanellas hochwertige Kinosofas vereinen 4D-Technologie mit Premium-Komfort. Keine überfüllten Kinosäle mehr: Genießen Sie Blockbuster in Ihrem privaten Luxus-Kino.
>> Mehr erfahren>> Alle anzeigen
Der jüngste Spross aus der TV-Familie von Loewes Subbrand We ist der We SEE 42 oled dc, ein OLED-Fernseher mit Twin-Tuner im kompakten 106-cm-Format.
>> Mehr erfahren>> Alle anzeigenElegante Standbox mit Scan-Speak-Bestückung
Die Kraft der Klassiker
Manchmal muss man nicht das Rad neu erfinden. Während viele aktuell auf moderne Materialien und neue Topologien setzen, wollte ich wissen: Wie klingt das, wenn man zwei der besten, klassisch konstruierten Chassis von Scan Speak in einem kompakten Gehäuse vereint? Das Ergebnis ist die Fiona.
Der Plan war klar: Ein schlichter, schlanker Standlautsprecher, der durch die Qualität seiner Komponenten und der Abstimmung besticht. Die Wahl fiel auf den 15W4531G00, einen 5-Zoll- Revelator, und die D2904/606200, eine High-End-Kalotte mit der noch recht neuen Kohlefaser-Membran. Das Projekt stand schnell in der Simulation, und wurde konsequent bis zur Fertigstellung durchgezogen. Auf Facebook konnten die Follower der Klang+Ton-Seite übrigens die einzelnen Entwicklungsschritte mitverfolgen – schon aus diesem Grund lohnt es sich, dort ab und zu mal hineinzusehen. Mein Dank an dieser Stelle gilt unserem Follower Stefan Maatz, der „Fiona“ vorgeschlagen hat.













Technik
Die Revelator-Mitteltöner sind für ihre charakteristische Sliced-Paper-Cone- Technologie bekannt. Die mit Dämpfungskleber gefüllten Schichten reduzieren die Aufbrechmodi in der Membran drastisch. In Kombination mit der verlustarmen, linearen Aufhängung von Scan Speak und der patentierten Symmetrical- Drive-Technologie setzt dieser Tiefmitteltöner neue Maßstäbe in Sachen Klarheit im Mitteltonbereich und gleichmäßiger Frequenzgangcharakteristiken. Obwohl die Serie bereits seit über zehn Jahren produziert wird, hat sie nichts an Aktualität eingebüßt. Der 15W/4531G00 zeigt einen sehr gutmütigen Frequenzgang über seinen gesamten nutzbaren Bereich und darüber hinaus. Der einzige „Fehler“ ist ein kleiner Abschnitt im Mitteltonbereich, in dem der Schalldruckpegel etwas reduziert ist und etwas erhöhte Verzerrungen 2. Ordnung auftreten. Abgesehen davon ist alles perfekt: In mittelgroßen, kompakten Bassreflexgehäusen erreicht der Revelator Grenzfrequenzen von etwa 40 Hertz und das Verhalten der Membran ermöglicht Übergangsfrequenzen zwischen 1000 und 5000 Hertz. Wenn man bedenkt, dass der Scan Speak auch noch äußerst gut verarbeitet ist, ist der empfohlene Preis von 200 Euro ein echtes Schnäppchen. Der Scan Speak D2904/606200 bedient sich einer neuen Technik bei der Herstellung von Membranen: Man arbeitet hier mit „Schicht-Kohlefaser“, die aus mehreren Lagen extrem dünner Gewebeflächen zusammengesetzt wird – für höhere Stabilität mit immer um 90 Grad verdrehten Faserrichtungen, erkennbar am Schachbrettmuster der Oberfäche. Ansonsten ist der Treiber ein typischer Vertreter der kleineren Scan-Speak- Hochtöner-Baureihe mit kleinem Waveguide, Koppelvolumen und einer sehr breiten Sicke, die recht viel Hub ermöglicht. Folgerichtig ist der Treiber in Sachen Klirr tief ankoppelbar – Trennfrequenzen um 2-2,5 Kilohertz sind problemlos machbar, wenn man den Pegelsprung durch den kurzen Waveguide bei 3 Kilohertz mit der Schallwandbreite oder dem Filter ausgleicht. Tiefer wäre technisch auch noch möglich, aber dann muss man ein bisschen mit der Bündelung aufpassen, die unterhalb des Einsatzbereichs vom Waveguide wieder einsetzt.
Gehäuse
Klar, die Treibergröße suggeriert „Kompaktbox“, aber ich wollte mal wieder eine wohnraumfreundliche Standbox bauen. Da ich die Optik etwas breiterer Schallwände ganz gut finde und diese auch akustisch (wie wir gleich sehen werden) gut tut, ist die Box 24 Zentimeter breit geworden – Platz für großzügige Fasen. Da schon beim Zeigen des Prototypen auf Facebook die üblichen Verdächtigen geschrien haben: „Ich will aber eine schlanke Standbox!“: Erstens IST das eine schlanke Standbox und zweitens: Wenn jemand die Fiona in schmal ohne Fase nachbauen möchte, kann er das gerne tun – muss dann allerdings auch mit einer Senke von 5 Dezibel zwischen 2 und 3,5 Kilohertz und einem sehr unregelmäßigen Abstrahlverhalten im Präsenzbereich leben. Wer unbedingt möchte: 20 Zentimeter Breite MIT Fase wäre noch tolerierbar. Das Reflexrohr habe ich knapp unterhalb des Treibers und oberhalb der Ringversteifung an der Rückseite montiert, um die untere Gehäusehälfte komplett als akustischen Sumpf verwenden zu können. Aus diesem Grund würde ich auch hier die Kabeldurchführung zuerst machen und die Weiche dann so weit oben montieren, dass man noch gut herankommt. Bedämpft wird mit Muhwolle, die im Gehäuseboden stark gestopft und nach oben hin immer lockerer eingefüllt wird. Rund um den Tieftöner bedeckt Bondum 800 die Gehäusewände, eine Matte Sonofil wird in unter den Deckel hinter den Hochtöner gefaltet, je eine halbe gefaltete Matte kommt noch links und rechts des Tieftöner-Magneten – Luftdurchtritt zum auf 10 Zentimeter gekürzten BR50- Rohr muss da sein!
Frequenzweiche
Durch die Schallwandgeometrie haben sich ein angenehmer und ein unangenehmer Effekt ergeben: Zunächst das Negative: Die Senke, die der Revelator schon auf der großen Schallwand gemacht hat, liegt so nah am Baffle Step, dass ein normales Filter nicht mehr ausgereicht hätte, um den Frequenzgang zu entzerren. Also habe ich hier einen Sperrkreis eingesetzt, der nicht nur die Spitze linearisiert hat, sondern den gesamten Pegel in dem Bereich bis zur Trennfrequenz auf das gewünschte Niveau um 85 Dezibel senkt.
Messungen
Unterm Strick steht eine der ausgewogensten Zwei-Wege-Boxen, die ich überhaupt kenne. Die leichte Brillianz- Betonung auf Achse ist unter 15 Grad Messwinkel komplett verschwunden – daher auch die Aufstellungsempfehlung parallel zu den Wänden oder nur ganz leicht in Richtung Hörplatz eingewinkelt. Das Abstrahlverhalten ist ohnehin phänomenal – die leichte Aufweitung oberhalb der Trennfrequenz, die sich bei der Chassiskonstellation nie ganz vermeiden lässt, fällt hier so sanft und über einen weiter Frequenzbereich verteilt aus, dass sie klanglich nichts an der perfekten Neutralität ändert. Dazu kommt ein wirklich tief reichender., praxisgerecht leicht im Pegel fallender Bassbereich. Das Wasserfalldiagramm ist bis auf ein Minimal-Artefakt aus dem Reflexrohr bei 500 Hertz absolut sauber und zeigt rasantes Ausschwingen in allen Bereichen. Bei 85 Dezibel spielt Klirr keine Rolle, bei 95 Dezibel gibt es einen leichten Anstieg von K2, der aber noch fernab der Belastungsgrenze liegt. Der Impedanzverlauf ist um die Trennfrequenz herum etwas unruhig, aber innerhalb einer geringen Schwankungsbreite, das Minimum liegt bei 3,6 Ohm.
Hörtest
Die Fiona ist ein Lautsprecher, der durch Chassis-Bestückung und die genau passende Abstimmung im Gehäuse überzeugt. Wir haben es hier mit einer Box zu tun, die den Begriff Ausgewogenheit fast schon neu definiert. Von den tiefsten Bässen bis zu den luftigsten Höhen agiert die Fiona tonal absolut neutral und nahtlos, ohne jegliche Überbetonung oder Zurückhaltung in einem bestimmten Frequenzbereich. Der Bassbereich verdient dabei ein Extra- Lob: Trotz des kompakten 5-Zoll- Treibers liefert die Fiona einen tief reichenden Bass, der nie in Trägheit oder Mulmigkeit umschlägt – er bleibt bis hin zu beachtlichen Pegeln straff und kontrolliert. Die Raumabbildung der Fiona ist ebenfalls überragend: Die Bühne baut sich weit über die Lautsprechergrenzen hinaus in Breite und Tiefe auf. Einzelne Instrumente und Stimmen sind präzise und fest im Raum platziert, was der Musik eine frappierende Dreidimensionalität verleiht. Besonders in komplexen orchestralen oder Chorstücken bleibt die volle Transparenz erhalten, und auch bei Dynamiksprüngen stabil. In Sachen Dynamik spielt die Fiona mit einer Verve, die man ihr gar nicht zugetraut hätte. Aber auch feindynamische Nuancen von sanften Saitenanschlägen oder leisen Beckenschlägen werden mit höchster Detailtreue herausgearbeitet. Gleichzeitig packt die Box bei Grobdynamik, wie plötzlichen Tutti oder impulsiven Bassläufen, beeindruckend an, ohne dabei die Übersicht zu verlieren. Diese Kombination aus Feinzeichnung und kraftvoller Kontrolle macht die Fiona zur perfekten Partnerin für sehr lange und zufriedene Hörsessions.
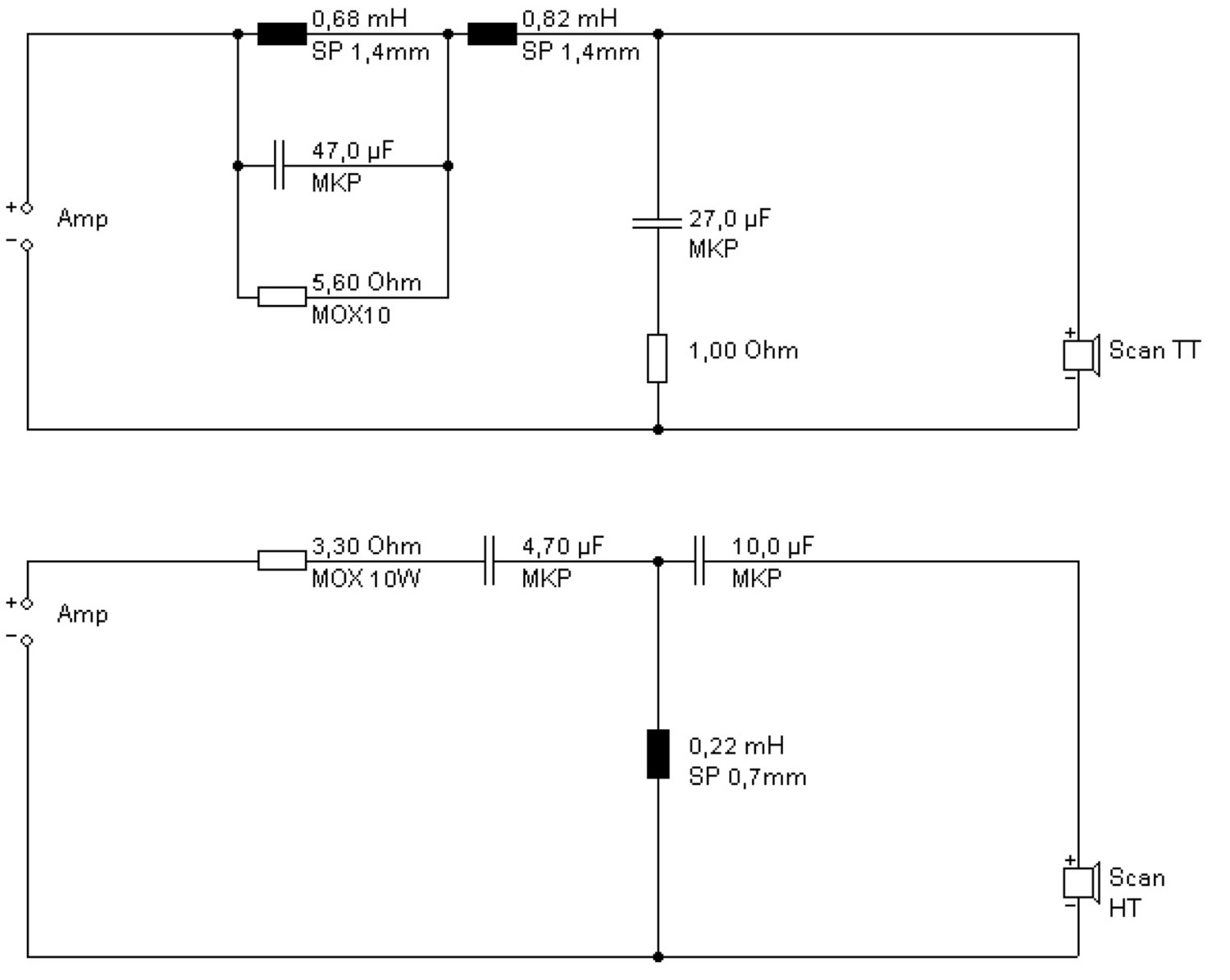
Weichenbestückung
L1: 0,68 mH Luftspule 1,4 mm
L2: 0,82 mH Luftspule 1,4 mm
L3: 0,22 mH Luftspule, 0,7 mm
C1: 47 µF MKP
C2: 27 µF MKP
C3: 4,7 µF MKP
C4: 10 µF MKP
R1: 5,6 Ohm MOX 10 Watt
R2: 1 Ohm MOX 10 Watt
R3: 3,3 Ohm MOX 10 Watt
Zubehör pro Box
Bondum 800
Muhwolle (oder gezupftes Sonofil)
Sonofil
Schrauben
Kabel
Polklemmen
Lieferant: ASE
Millennium-Carbon-Terminalplatte
Lieferant: Audio Reference
Holzliste
Material: 18 mm Multiplex
1 x 24,0 cm 95,0 cm Schallwand (Front)
1 x 20,4 cm 91,4 cm Rückwand
2 x 16,2 cm 95,0 cm Seitenteile
2 x 20,4 cm 16,2 cm Boden & Deckel
1 x 14,2 cm x 20,4 cm Ringversteifung (2 cm Rand)
Fazit
Lust auf mehr? Entdecke unser Klang&Ton Abo!
Kategorie: Lautsprecherbausätze
Produkt: Klang+Ton-Projekt FIONA
Stückpreis: um 700 Euro+ Gehäuse
Sehr gutes Material, verbunden mit einer durchdachten Umsetzung ergeben einen überragenden Lautsprecher: Klang+Ton „Fiona“!
Klang+Ton-Projekt FIONA
Klang+Ton-Projekt FIONA
Mit der neuen 1610-Serie will Arendal die Tugenden der Top-Baureihen in bezahlbare Regionen bringen.
>> Mehr erfahren>> Alle anzeigen| Technische Daten | |
| Chassishersteller : | Scan Speak |
| Vertrieb: | ASE |
| Konstruktion: | Thomas Schmidt |
| Funktionsprinzip: | Bassreflex, 2-Wege |
| Bestückung: | 1 x Scan Speak 15W/4531G00 1 x Scan Speak D2904/606200 |
| Nennimpedanz (in Ohm): | 4 Ohm |
| Kennschalldruckpegel 2,83 V/1m: | ca. 85 dB |
| Trennfrequenzen: | ca. 2.300 Hertz |
| B x H x T (in cm) | 24 x 95 x 18 cm |
| Kosten pro Stück: | 700 Euro + Gehäuse |




