TCL bietet mit der Soundbar Q85H Pro ein komplettes 3D-Surroundsystem mit Satelliten und Subwoofer zum erstaunlich günstigen Gesamtpreis von weniger als 500 Euro.
>> Mehr erfahren>> Alle anzeigen
Die 800er Serie von Philips ist preislich deutlich unter den edlen OLED+ Modellen angesiedelt und erfreut sich daher hoher Beliebtheit. Dennoch bringt das brandneue 2025er Modell OLED810 einen Großteil der Technologie aus der Topserie mit.
>> Mehr erfahren>> Alle anzeigenKompaktlautsprecher mit Hochtonhorn
Regal-Horn
Auf dem Weg zum großen Projekt ist eine der Zwischenstationen der Modellbau, um sich ein Bild vom endgültigen Ergebnis zu verschaffen. Wenn das Modell auch noch zum Spielen gebracht werden kann – umso besser!
Tatsächlich soll in einer der nächsten Ausgaben mal wieder ein Hornlautsprecher vorgestellt werden, der gewisse Ausmaße haben darf – bei der Bestandsaufnahme dazu habe ich ein bisschen mit herumliegendem Zeug gespielt und mir quasi ein großes Reflexgehäuse mit eben solchem Aufsatzhorn vorgestellt. Die hier gezeigte Kombination hat mir beim Betrachten irgendwie zugeflüstert: „Mach was mit mir“! Ok, ein ähnliches „Vorgängermodell“ hat es ja schon gegeben: Cheap Trick 327, eine schlanke Standbox mit dem Visaton W 130 S hat bei diversen Vorführungen durchaus überzeugt, schauen wir doch mal, ob es noch ein bisschen kompakter geht.
Technik
Der W100S ist ein universell einsetzbares und für seinen Preis technisch einwandfreies Chassis. Ein Zugeständnis an die geringen Kosten ist der Stahlblechkorb, der aber so clever gefalzt ist, dass er sehr stabil und optisch auch recht massiv wirkt.













Gehäuse
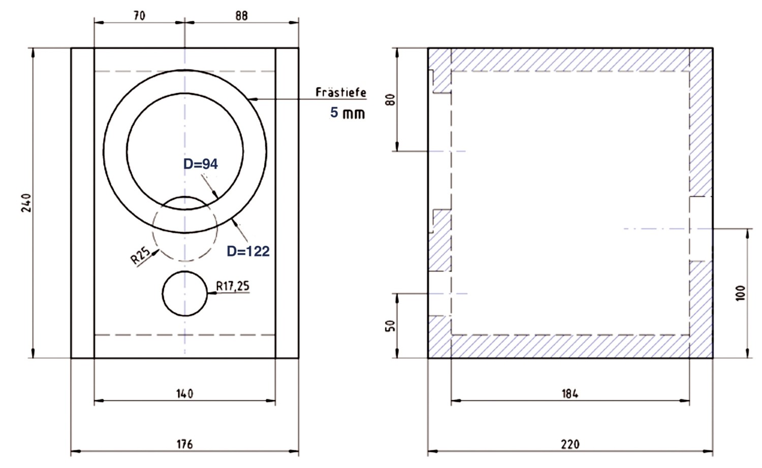
Der Visaton W 100 S mag ganz gerne auch ein bisschen größere Gehäuse, aber eine lineare Bassreflexabstimmung geht auch schon in den hier verwendeten 5 Litern, wie ja auch schon Cheap Trick 335 gezeigt hat. Einfache Kiste, abgerundete Kanten, auf 8 Zentimeter gekürztes BR30-Reflexrohr, eine halbe Matte Sonofil so im Gehäuse verteilt, dass Treiber und Rohr frei bleiben. Das Horn wird so auf der Oberseite aufgesetzt, dass der Hornmund zwei Zentimeter über die Schallwand hinausragt und mit dem Korbrand des Tieftöners abschließt.
Frequenzweiche
Der Tieftöner wird für eine kontrolliertere Abstimmung zunächst in seinem Impedanzanstieg mit einem RC-Glied linearisiert.
Messwerte
Wir erhalten in der Summe eine Box mit einem für die Größe beachtlich tiefen Bass mit einem sehr linearen Verlauf. Der Wirkungsgrad ist mit etwa 85 Dezibel an 2,83Volt ziemlich ordentlich. Wenn man ihn detailliert betrachtet, sieht der Hochtonbereich nach ganz oben recht unruhig aus – bertachtet man aber den Gesamtverlauf, dann haben wir schon ab 500 Hertz ein fast perfektes Constant-Directivity- Verhalten ohne Abweichungen unter Winkeln und eine damit gut dosierbare Einstellmöglichkeit des Hochtonbereichs über Einwinkeln der Boxen. In Sachen Klirr geht es bei 85 Dezibel sehr kontrolliert zu – bei 95 Dezibel hat der W 100 S so langsam etwas gegen zu viel Hub der kleinen Membran. Der Impedanzverlauf liegt komplett über 4 Ohm und kann wie oben beschrieben noch linearisiert werden.
Hörtest
Cheap Trick 339 darf und sollte näher an die Rückwand oder wirklich ins Regal. Frei aufgestellt reicht es zwar für eine immer noch beeindruckende und knackige Bassperformance, aber ein 10er Tieftöner fällt halt irgendwann dynamisch doch ein bisschen hinter den im Waveguide überragenden FRS5X zurück. Kurz vor oder in meiner Schallplattenschrankwand fühlte sich die kleine Hornbox dann sofort pudelwohl: Wand im Rücken, tieferer Bass und etwas mehr Wucht – und es kommt tatsächlich etwas Hornfeeling auf, auch, weil der FRS5X im Waveguide hier so tief getrennt ist wie vorher in keinem anderen Projekt. Der W 100 S läuft linear vom Bass in einen neutralen Mitteltonbereich, der dem famosen Hochtonbereich des Waveguides in nichts nachsteht. Den Charakter der Box kann man durch Einwinkeln von neutral bis britisch gut einstellen – in allen Winkeln bleibt die Neutralität und Präzision der dynamischen Box erhalten.
Aufbauanleitung
Auf einer Seitenplatte liegend werden nacheinander Front, Deckel, Boden und Rückwand aufgeleimt. Abschließend wird die zweite Seitenwand angebracht. Nun werden die Löcher für das Chassis, die Bassreflexöffnung und das Terminal gesägt. Dabei sollte das Chassis optimalerweise in die Schallwand eingefräst werden, um Reflexionen am Korbrand zu vermeiden. Die senkrechten Kanten haben wir mit einem Viertelstabfräser abgerundet. Die Bedämpfung besteht aus einer halben Matte Sonofil oberhalb und hinter dem Treiber, die durch den Tieftönerausschnitt eingebracht wird. Zwischen Chassis und Reflexrohr sollte möglichst keine Bedämpfung liegen, ein um das Reflexrohr herumgelegter Rest Sonofil linearisiert den Mitteltonbereich.
Holzliste
Material: 18-mmMultiplex
1 x 24,0 x 14,0 Front, Rückwand
2 x 18,4 x 14,0 Deckel und Boden
2 x 24,0 x 22,0 Seitenwände
Zubehör pro Box
Dämmstoff: Sonofil, halbe Matte
1 Terminal
1 Reflexrohr BR30 auf 8 Zentimeter gekürzt
Schrauben
Kabel 1m 2 x1,5
Dichtstreifen
Lieferant: Visaton
Weichenbestückung
L1: 0,82 mH Luftspule 1,0 mm
L2: 0,47 mH Luftspule, 0,7 mm
C1: 27 µF MKT
C2: 33 µF MKT
C3: 3,9 µF MKP
R1: 4,7 Ohm MOX 10W
R2: 5,6 Ohm MOX 10W
R3: 10 Ohm MOX 10W
Fazit
Lust auf mehr? Entdecke unser Klang&Ton Abo!
Kategorie: Lautsprecherbausätze
Produkt: Klang+Ton-Projekt Cheap Trick 339
Stückpreis: um 100 Euro+ Gehäuse
Witziger und dabei ernsthaft gut klingender Cheap Trick!
Klang+Ton-Projekt Cheap Trick 339
Klang+Ton-Projekt Cheap Trick 339
So lautet der Slogan der Firma Revox. Eine Marke, die man wie wenige andere mit der Kombination aus Technik und Design verbindet. Die Studiomaster A200 ist dafür ein schönes Beispiel.
>> Mehr erfahren>> Alle anzeigen
Seit meinem ersten externen D/A-Wandler (ein günstiges Gerät von Musical Fidelity) bin ich angefixt. Egal, ob man einem alten CD-Spieler klanglich auf die Sprünge helfen möchte oder ob man einfach etwas mehr Klang sucht: Ein DAC kann Wunder wirken.
>> Mehr erfahren>> Alle anzeigen
In der Top-Serie HX von Audio System wird dieses Jahr fleißig entwickelt. Neu hinzugekommen ist jetzt mit dem HX 200 Dust 3-Way Evo3 ein Dreiwegesystem.
>> Mehr erfahren>> Alle anzeigen
Der moderne Mensch hört Musik am liebsten mobil. Der neue Beyerdynamic Aventho 200 spricht mit seiner exzellenten Ausstattung und seinem überzeugenden Klang genau diese Menschen an.
>> Mehr erfahren>> Alle anzeigen| Technische Daten | |
| Chassishersteller : | Visaton |
| Vertrieb: | Visaton, Haan |
| Konstruktion: | Thomas Schmidt |
| Funktionsprinzip: | Bassreflex |
| Bestückung: | 1 x Visaton W 100 S, 4 Ohm 1 x Visaton FRS5x 1 x Printyourbeat Waveguide |
| Nennimpedanz (in Ohm): | 4 Ohm |
| Kennschalldruckpegel 2,83 V/1m: | 85 dB |
| B x H x T (in cm) | 17,6 x 24 x 22 cm + Horn |
| Kosten pro Stück: | ca. 100 Euro + Gehäuse |
| Bestelladresse | Waveguide: printyourbeat.de |




