In der Top-Serie HX von Audio System wird dieses Jahr fleißig entwickelt. Neu hinzugekommen ist jetzt mit dem HX 200 Dust 3-Way Evo3 ein Dreiwegesystem.
>> Mehr erfahren>> Alle anzeigen
Der moderne Mensch hört Musik am liebsten mobil. Der neue Beyerdynamic Aventho 200 spricht mit seiner exzellenten Ausstattung und seinem überzeugenden Klang genau diese Menschen an.
>> Mehr erfahren>> Alle anzeigenSerientest: Klang+Ton-Projekt Cheap Trick 337, Klang+Ton-Projekt Cheap Trick 338
Zwei Cheap Tricks in einem
Die Serie geht weiter: Nach CT336 wollte ich einfach nur eine größere Version der schmalen Standbox mit zwei W130S bauen – die große Resonanz auf das Thema hat dann aber zu gleich zwei Cheap Tricks in einem Heft geführt.
Ich habe das Thema kurz auf unserer Facebook-Seite angerissen – es gab eine riesige Resonanz und eine riesige Diskussion zum Thema „2,5-Wege vs. D´Appolito-Anordnung“. Okay, dann habe ich mal beide gebaut. Übrigens: Die dritte angedachte Version mit den noch enger zusammengeführten Tieftönern und dem aus der Mitte gerückten Hochtöner werde ich als Kompaktbox in der kommenden Ausgabe präsentieren.
Technik
Der W130S ist ein äußerst vielseitiges und für seine Preisklasse technisch ausgereiftes Chassis. Obwohl er einen kostengünstigen Stahlblechkorb besitzt, ist dieser so designt, dass er sehr stabil und robust ist.























Der Hochtonpart wird vom kompakten Kalottenhochtöner G 25 NDWG übernommen, einer 25-Millimeter-Kalotte mit Neodym-Magnet und Waveguide. Mit einem Außendurchmesser von 66 Millimetern lässt er sich problemlos nah am Tieftöner montieren. Der integrierte kurze Waveguide unterstützt den Pegel im unteren Frequenzbereich, was wegen der hohen Eigenresonanz ohne Koppelvolumen erforderlich ist. Vor dem Messmikrofon zeigt er einen ausgewogenen Frequenzgang ab etwa 3 Kilohertz. Der G 25 NDWG ist mit rund 95 Dezibel sehr lautstark. Im Einsatzbereich gibt es einen kleinen Buckel unterhalb von 20 Kilohertz, darüber fällt der Pegel sauber ab. Der Klirr bei Zimmerlautstärke ist vernachlässigbar; bei 95 Dezibel sollte die Trennfrequenz nicht unter 3 Kilohertz liegen.
Gehäuse
Das Gehäusevolumen der schlanken Standbox beträgt netto rund 30 Liter. Mit 16 Zentimetern Breite bringen wir die beiden W130S gerade noch so unter. Um den Bauaufwand gering zu halten, sind die Tiefton-Treiber nicht bündig eingelassen, sondern aufliegend montiert. Den Hochtontreiber habe ich dieses Mal eingefräst. Die beiden gezeigten Gehäuse sind Probeaufbauten mit modularen Schallwandsegmenten, mit denen ich unterschiedliche Chassis-Anordnungen realisieren kann, ohne gleich jedes Mal ein komplett neues Gehäuse bauen zu müssen. Die Zeichnungen zeigen natürlich die fertigen Boxen, wie sie final aussehen sollten. Bei der D´Appolito-Anordnung darf natürlich der obere Tiefmitteltöner auch ganz nach oben rücken – anders als in meinem Testaufbau. Außer einem Versteifungsring gibt es keine Besonderheiten. Das Anschlussterminal und das Bassreflexrohr befinden sich wie üblich an der Gehäuserückseite.
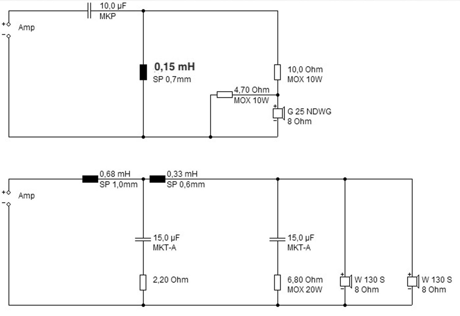
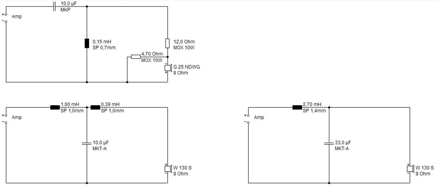
Frequenzweiche
Wie gesagt: Zwei verschiedene Chassis- Anordnungen, zwei verschiedene Weichenabstimmungen: Bei CT337 sind die beiden W130S parallel beschaltet. Hier muss zwingend der Impedanzanstieg der beiden Treiber korrigiert werden, um eine korrekte Filterung zu ermöglichen: Danach lässt sich der Tieftonzweig einfach mit einem Filter dritter Ordnung beschalten.
Messwerte
Die Abstimmung der beiden Boxen ist auf eine freie bis leicht wandnahe Aufstellung ausgelegt, was den Bassabfall einer Standbox im Freifeld. Bei freier Aufstellung kann das Reflexrohr gekürzt werden, um den oberen Bassbereich zu betonen. Der Frequenzgang ist insgesamt sehr linear, mit einer Betonung im oberen Hochtonbereich, die unter Winkeln verschwindet. Die untere Grenzfrequenz liegt im Freifeld bei etwa 50 Hertz, wobei der flache Abfall im Hörraum eine deutlich tiefere Grenzfrequenz bedeutet reicht. Im Vergleich zum CT336 bieten der CT337 und CT338 einen nochmal besseren Wirkungsgrad und einen lineareren Frequenzverlauf. Das Wasserfalldiagramm zeigt nur geringfügige Resonanzen im Mitteltonbereich. Der Klirr ist bei Zimmerlautstärke fast nicht vorhanden, und auch bei 95 Dezibel sieht das Ergebnis in einem weiten Bereich sehr gut aus. Die beiden W130S kommen erst hier an ihre Hubgrenze.
Hörtest
Im Hörtest überzeugen beide Cheap Tricks durch eine ausgewogene und neutrale Wiedergabe. Der Bass ist kraftvoll und dynamisch, dank der größeren Membranfläche der W130S auch bei hohen Lautstärken souverän und mit Reserven. Im Mitteltonbereich ist der Klang klar und detailliert, ohne zu überanalytisch zu wirken. Beide Boxen erzeugen eine gute Räumlichkeit, wobei ich hier CT337 leicht im Vorteil sehe, der sehr exakt positioniert, die einzelnen Stimmen und Instrumente fast schon hornartig „aus der Luft schneidet“. CT338 agiert hier etwas diffuser, wirkt aber dabei auch etwas entspannter und organischer. Ich würde sagen, hier sollte die vorhandene Raumakustik den Ausschlage geben: Vor allem bei einem glatten Boden und wenig Dämpfung durch den Raum sollte man hier der symmetrischen Anordnung der Vorzug geben. Die CT337 und 338 fühlen sich in kleinen bis mittleren Räumen wohl – hier genügen die beiden schlanken Boxen auch hohen Lautstärkeansprüchen. Aber selbst in großen Räumen wie dem unseren, reichen die dynamischen Reserven leicht aus, um auch mal richtig Gas zu geben.
Aufbauanleitung
Auf einem liegenden Seitenbrett werden nacheinander Boden, Rückwand und Deckel, dann das zweite Seitenbrett aufgeleimt. Die Frontplatte folgt als letztes. Danach sägt man die entsprechenden Löcher für die Treiber und das Reflexrohr. Die Kanten werden nach Wunsch angefast. Das Sonofil oder die Muhwolle füllen die untere Hälfte der Box und den Raum hinter dem Hochtöner, der Noppenschaumstoff bedeckt Rück- und Seitenwände hinter den Tieftönern. Nach dem Anschließen der Weiche an die Polklemmen und die Chassis ist die Box spielfertig.
Zubehör pro Box
3 Matten Sonofil und 1 Beutel Muhwolle
Noppenschaumstoff
2 Polklemmen
1 Reflexrohr Visaton 15.34 (volle Lange)
Holzschrauben
Lautsprecherdichtband
Kabel 1m 2x1,5qmm
Lieferant: Visaton
Holzliste
Material: 18 mm Multiplex oder Leimholz
1 x 100 x 16 cm Schallwand
2 x 100 x 24 cm Seiten
2 x 24 x 12,4 cm Boden / Deckel
1 x 96,4 x 12,4 cm Rückwand
1 x 12,4 x 22,2 cm Versteifung
Weichenbestückung
Cheap Trick 337:
L1: 0,68 mH Luftspule 1 mm
L2: 0,33 mH Luftspule 1 mm
L3: 0,15 mH Luftspule 0,7 mm
C1: 15 µF MKT
C2: 15 µF MKT
C3: 10 µF MKP
R1: 2,2 Ohm MOX 10
R2: 6,8 Ohm MOX 20
R3 : 10 Ohm MOX 10
R4: 4,7 Ohm MOX 10
Cheap Trick 338:
L1: 1,0 mH Luftspule 1 mm
L2: 0,39 mH Luftspule 1 mm
L3: 2,7 mH Luftspule 1,4 mm
L4: 0,15 mH Luftspule 0,7 mm
C1: 10 µF MKT
C2: 33 µF MKT
C3: 10 µF MKT
R1: 12 Ohm MOX 10
R2: 4,7 Ohm MOX 10
Fazit
Lust auf mehr? Entdecke unser Klang&Ton Abo!
Kategorie: Lautsprecherbausätze
Produkt: Klang+Ton-Projekt Cheap Trick 337
Preis: um 250 Euro + Gehäuse
Cheap Trick 337 ist eine ausgesprochen dynamische und dabei günstige Allroundbox.
Klang+Ton-Projekt Cheap Trick 337
Klang+Ton-Projekt Cheap Trick 337
Kategorie: Lautsprecherbausätze
Produkt: Klang+Ton-Projekt Cheap Trick 338
Preis: um 250 Euro+ Gehäuse
Cheap Trick 338 ist eine ausgesprochen dynamische und dabei günstige Allroundbox.
Klang+Ton-Projekt Cheap Trick 338
Klang+Ton-Projekt Cheap Trick 338
Die 800er Serie von Philips ist preislich deutlich unter den edlen OLED+ Modellen angesiedelt und erfreut sich daher hoher Beliebtheit. Dennoch bringt das brandneue 2025er Modell OLED810 einen Großteil der Technologie aus der Topserie mit.
>> Mehr erfahren>> Alle anzeigen
„Drum prüfe, wer sich ewig bindet ...“ heißt es in Schillers Glocke. In der High Fidelity stellte sich eine solche Frage bisher nicht. In der Regel ging man zum Händler und tauschte Geld gegen Ware.
>> Mehr erfahren>> Alle anzeigen
So lautet der Slogan der Firma Revox. Eine Marke, die man wie wenige andere mit der Kombination aus Technik und Design verbindet. Die Studiomaster A200 ist dafür ein schönes Beispiel.
>> Mehr erfahren>> Alle anzeigen
Mit dem Technivista 43 CL bietet das deutsche Unternehmen TechniSat einen 43-Zoll-Full-HD-TV mit integrierter Soundbar.
>> Mehr erfahren>> Alle anzeigen| Technische Daten | |
| Chassishersteller : | Visaton, Haan |
| Vertrieb: | Visaton, Haan |
| Konstruktion: | Thomas Schmidt |
| Funktionsprinzip: | Bassreflex |
| Bestückung: | 2 x Visaton W130S 8 Ohm, 1 x Visaton G 25 NDWG 8 Ohm |
| Nennimpedanz (in Ohm): | 4 Ohm |
| Kennschalldruckpegel 2,83 V/1m: | ca. 89 dB |
| Trennfrequenzen: | ca. 2800 Hz |
| B x H x T (in cm) | 16,0 x 100 x 25,8 cm |
| Kosten pro Stück: | ca. 250 Euro + Gehäuse |
| Technische Daten | |
| Chassishersteller : | Visaton, Haan |
| Vertrieb: | Visaton, Haan |
| Konstruktion: | Thomas Schmidt |
| Funktionsprinzip: | Bassreflex |
| Bestückung: | 2 x Visaton W130S 8 Ohm, 1 x Visaton G 25 NDWG 8 Ohm |
| Nennimpedanz (in Ohm): | 4 Ohm |
| Kennschalldruckpegel 2,83 V/1m: | ca. 89 dB |
| Trennfrequenzen: | ca. 2800 Hz |
| B x H x T (in cm) | 16,0 x 100 x 25,8 cm |
| Kosten pro Stück: | ca. 250 Euro + Gehäuse |



